24小时内快速提供壹号app下载链接的解决方案
产品名称:tpoworx阀位开关 tvl-e20gnem
产品特点:离散阀门控制器
tpoworx 壹号app下载链接的产品展示

tpoworx产品概述
product overview
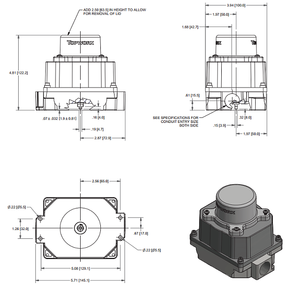
tpoworx阀位开关t 系列开关在紧凑型、直接安装的外壳中提供多方位的功能,从而创造高价值。
1、空间利用:特有的布局提供宽敞的外壳内工作空间 , 便于开关接线和设置,同时占用很少的执 行机构上方空间
2、twistset 凸轮: twistset 凸轮设计实现轻松控制和传感器位置的无级设置 , 更大程度上减少迟滞。
3、紧凑外形设计:采用特有的直接安装功能减少开关盒在执行机构上方的整体占用高度
4、直接安装:采用特的安装设计, 无需价格昂贵的安装支架即可轻松连接到 iso/namur 执行机构
tpoworx产品特点
product parameters
|
01 |
技术地位: topworx 技术发展在过程自动化行业一直走在创新的前沿 |
02 |
技术地位:topworx 利用无线技 术以及现场总线协议 (例如 f oundation fieldbus 、 devicenet 、 as-interface 、 profbus 和 hart ) 来下降安装成本并进行预测性维护。 |
|
03 |
topworx有 高温 (175°c)、低温 (-60°c ) 以及水下 ( 6,800 米 ) 的应用 |
04 |
|
|
05 |
|
06 |
服务与支持:topworx在全 -球还有超过 200 个经认可的产品壹号app下载链接的合作伙伴 , 能够根据需要提供充分的当地支持 |
tpoworx阀位开关tv系列
选型指南
制氢流体控制应用哪些ascowsje 双隔室防爆电磁阀-通用电磁阀
asco二位三通隔爆电磁阀nf于wsnf的区别是什么
工业锅炉加热设备应用哪些asco燃油切断阀-燃气阀
氢能应用tescom调压阀-背压阀助力制造商能源转型
氢能与燃料电池应用哪些tescom电动气动执行器-asco电磁阀
工业流体防水锤控制阀门用哪些asco压力气控阀-三通阀
工业和商业应用哪些asco微型电磁阀-二位三通电磁阀
包装制造业节能减排应用哪些aventics气源流量传感器-过滤减压阀